

Описание и характеристики
Свойства :
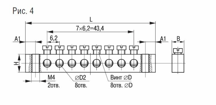
Общ. количество соединений : 8
Защита контактов (безопасное прикосновение) : Нет
Цвет изоляции : Нет (без)
Количество полюсов : 1
Способ подключения : Винтовой
Глубина : 6
Высота : 9
Ширина : 66
Способ монтажа : DIN-рейка/винт
Номин. ток : 100
Ссылка производителя : http://www.navigator-light.ru/tovyiryi-dlya-elektromontazha/izdeliya-dlya-elektromontazha/nulevyie-shinyi/kopiya-ntb-upe/hpe/71147.html
Сертификаты :
Тип сертификата : Сертификат EAC
Номер сертификата : RU C-CN.МЛ07.В.00114
Срок действия от : 2014-11-13
Срок действия до : 2019-11-12
Ссылка на сертификат : https://catalog.raec.su/uploads/files/certificates/c787ba446771f971d0761e502f9c2af1.pdf
подгруженны данные из РАЭК в 25.12.2020 9:00:13
Количество соединений
8
Номин. ток
100 А
Типоразмер шины
6*9 мм
Показать все характеристики